Added to Cart
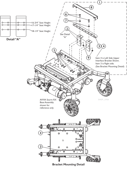
Ultra Low Maxx - Seat Mounting Upper Interface Brackets and Hardware (Wide Base)
| Item | Part/Kit | Part/Kit Description | Qty/Pkg | Qty/Asbly | MSRP | View Parts Notes |
|---|
Assembly Part Notes
| Note Code | Definition |
|---|---|
| A | Includes items 2-9 |
